6026 Imthacaí Liathróid Deep Groove

Táirgí

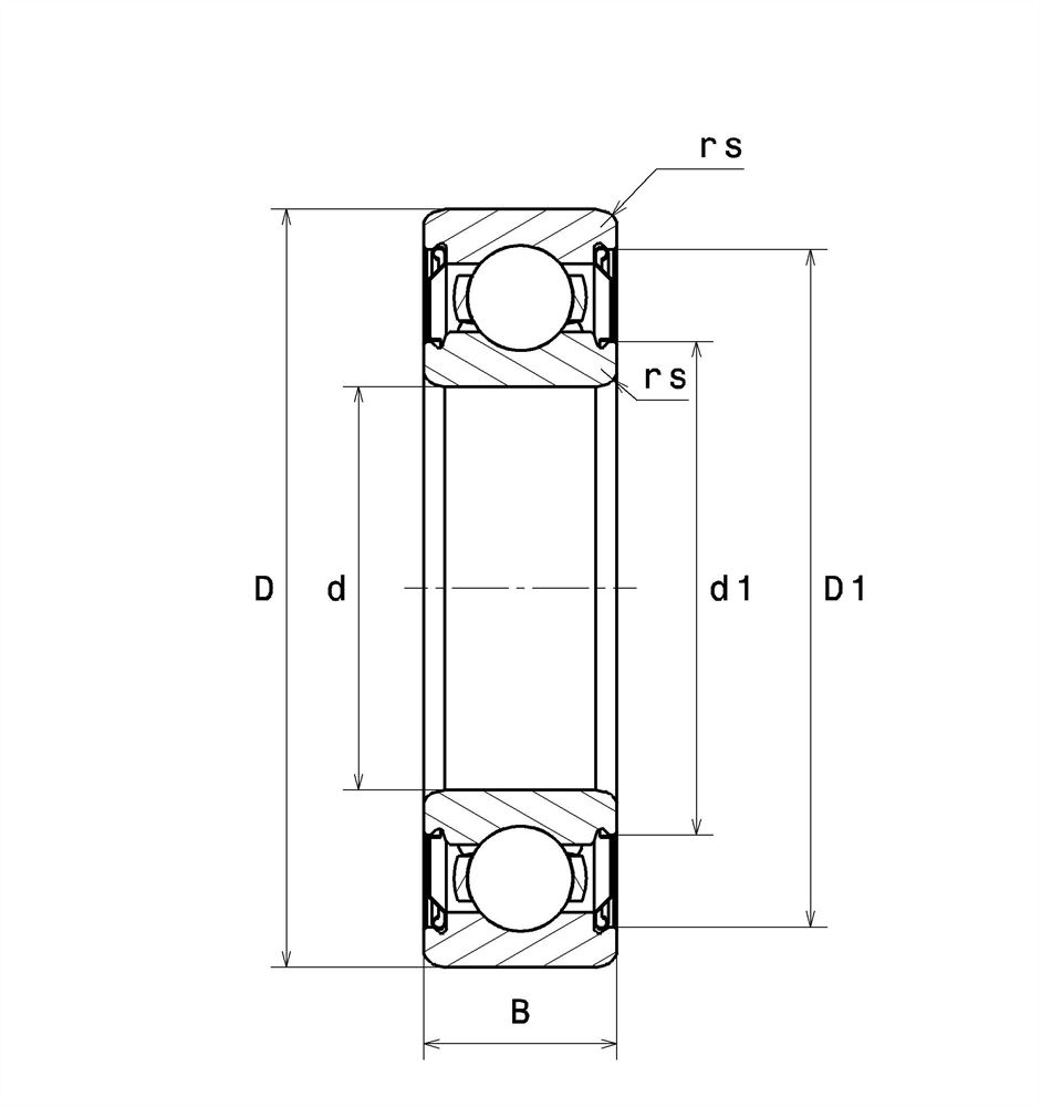
6026

6026 Imthacaí

Cixi YD Bearing Co., Ltd.

Sonraí Táirge

ZZ 2RS 2RZ 2RS1

Trastomhas Laistigh (mm): 130
Trastomhas Lasmuigh (mm): 200
Leithead (mm): 33
Sraitheanna Liathróidí: sraith shingil
Imréiteach Inmheánach: CN (Caighdeánach)
Fáinne Sliotán & Snap: níl
Ábhar Fáinne: Cruach Chrome
flange: níl
Ábhar Eiliminte Rollta: Cruach Chrome
Séala: ZZ
Ábhar Cage: Cruach Bileog
Sraith Liathróid Comhlánaithe Iomlán: níl
Meáchan táirge: 0,002Kg

Táirgí Gaolmhara

Cixi YD Bearing Co., Ltd.

IONAD NUACHTA

Conas a fheabhsaíonn teicneolaíocht cóireála dromchla friotaíocht creimeadh na bhfáinní imthacaí

Tar éis blianta forbartha, fáinní imthacaí tar éis éirí mar phríomh-chomhpháirt fíor-riachtanach in innealra rothlach, agus bíonn tionchar díreach ag a gcáilíocht agus a bhfeid...

Conas a fheabhsaíonn teicneolaíocht cóireála dromchla friotaíocht caitheamh fáinní imthacaí

Mar chuid thábhachtach d'innealra rothlach, tá friotaíocht caitheamh na bhfáinní imthacaí ríthábhachtach d'oibriú cobhsaí agus do shaol seirbhíse na n-imthacaí. D'f...

Cén tionchar atá ag an bpróiseas cóireála teasa ar fheidhmíocht na bhfáinní imthacaí

Tá ról ríthábhachtach ag an bpróiseas cóireála teasa i ndéantúsaíocht na fáinní imthacaí , a dhéanann difear do chruas, neart, friotaíocht caitheamh agus feidhmíocht eile na bh...

Cén tionchar atá ag an bpróiseas gaibhnithe ar fheidhmíocht na bhfáinní imthacaí

Tá ról ríthábhachtach ag an bpróiseas brionnú i monarú fáinní imthacaí , a chuireann isteach ar fheidhmíocht na fáinní imthacaí. Feabhas a chur ar neart agus cruas na bhfáinn...

Cad iad na héifeachtaí atá ag cóireáil dromchla ar fháinní imthacaí

Tá ról ríthábhachtach ag cóireáil dromchla sa fáinne imthacaí próiseas déantúsaíochta, a chuireann isteach go díreach ar fhrithchuimilt, caitheamh, friotaíocht creimeadh ...

Cén tionchar a bhíonn ag roghnú ábhar ar fháinní imthacaí

Gné ríthábhachtach de dhearadh agus de mhonarú ábhar is ea roghnú ábhar fáinní imthacaí . Tá tréithe éagsúla ag ábhair éagsúla, rud a chuirfidh isteach go díreach ar fhei...

Cad iad na fachtóirí a théann i bhfeidhm ar chumas ualachiompartha an fháinne imthacaí

I réimse na n-innealra tionsclaíoch, fáinní imthacaí is comhpháirteanna tábhachtacha iad a thacaíonn le hualaí agus a iompraíonn ualaí, agus bíonn tionchar díreach ag a g...

Conas a laghdaíonn fáinní imthacaí cuimilte meicniúil

I réimse na n-innealra tionsclaíoch, tá frithchuimilt ar cheann de na príomhfhachtóirí a dhéanann difear do fheidhmíocht agus do shaolré trealaimh mheicniúil. Mar cheann de na c...

Buntáistí feidhmíochta imthacaí sorcóir barrchaolaithe in iarratais ardluais

I bhforbairt tapa an tionscail nua-aimseartha, tá ról tábhachtach ag trealamh meicniúil ardluais maidir le héifeachtúlacht táirgthe a fheabhsú agus tomhaltas fuinnimh a laghdú. ...

comhpháirtí
comhpháirtí
comhpháirtí
comhpháirtí
comhpháirtí
comhpháirtí